找回密码
 注册

QQ登录

只需一步,快速开始

搜索
查看: 30056|回复: 29

如何看主板供电 - 专业讲述【有图,有真相】

 火.. [复制链接]
用户头像
用户组图标 yaojian 2011-5-17 23:17:07 | 显示全部楼层
如果我们想掌握主板质量就必须深入了解主板供电电路,它负责电源电压——即+ 12v -并转化为CPU所需的适当电压,内存,芯片和其他电路的供给。接下来,我们将更深入了解供电模块,如何鉴别该电路,它是如何工作的,最常见的元件以及如何确定优质部件。
    想了解整个主板的质量和使用寿命,判断供电模块的质量是最好的途径之一。一个好的供电模块输出将不会有任何的电压波动或杂波,其提供了CPU和其它部件干净和平稳的电压。一个差的供电模块可以导致电压波动及杂波,乃致故障如电脑重启、死机、声名狼藉的的蓝屏。 如果该电路采用劣质的铝电解电容,它们将泄漏,鼓胀甚至爆炸。其在主板电路中往往是易损件。而一个高质量供电模块电路可以确保你有一个稳定的系统,经久耐用。

    供电电路很容易识别。因为它是唯一采用电感(线圈)的主板电路,电感附近一般就能找到供电模块。通常供电模块环绕在CPU四周;不过你会发现一些电感散布在主板上,通常靠近内存和临近南桥芯片,同样的他们为这些组件提供所需电压。
1.webp
图1:供电模块的电路。
解释工作原理前,先让让你熟悉供电模块的主要部件。
1.认识一下主要元件
        供电模块的主要元件,前面已提到的,1电感(可以由两种材料组成,铁芯或铁素体)、2.晶体管、3.电容(好的主板将提供耐久的铝电解电容)。
    晶体管供电模块电路用称为MOSFET(金属氧化物半导体场效应晶体管) 的技术所制造,人们简称为“MOSFET”。有些主板来用被动冷却 – 散热器以冷却“MOSFET”。还有另一个非常重要的元件称为“PWM”控制器,以及同样设计精良细小的“MOSFET driver”。接下来将解释他们的功用。
2.webp
图2:供电模块的特写
3.webp
图3:主板上的被动冷却方式:散热器
2.现在让我们深入介绍每个元件
    如前所述,你可以找到两种用于供电模块的电感:  铁芯或铁素体。相对于铁芯电感,铁素体电感功率损耗更低:据技嘉称低了25%(技嘉在主板界的权威地位可见一斑,后面还会提到),较低的电磁干扰和更好的抗锈性。两者之间很容易区分:  铁芯电感通常是“开放”的,你可以看到里面有一个厚实的铜制线圈;而铁氧体电感是“闭合”的,通常上面有一个字母R打头的标志。在图四、图五可比较出他们之间的差别。但是铁氧体电感也有一个例外,其大又圆而且是“开放”的,如图6。这种铁氧体扼流圈是很容易识别的,因为它的铁芯是横置的。
        供电模块中还有一种概念称之为“相位”。是不是有点糊涂,别担心,我们将详细解释。
4.webp
图四:铁电感。
5.webp
图五:铁氧体电感
6.webp
图六:铁氧体电感的特例
2.现在让我们深入介绍每个元件(续)
    尽管所有主板供电模块都使用MOSFET,但其中有好有坏。好的MOSFET的开关电阻较低–该参数称之为“DPS”,发热量少(相对于传统MOSFET少16%的热量,又是技嘉所言),体积小于传统MOSFET。有一个简单的方法来区分两,传统的MOSFET有三条引脚,中心的引脚通常被低断而悬空,低阻的MOSFET有四个或更多的引脚且都焊接到主板上。比较图7号和图8你可以看到两者的区别。
    供电模块一般每相位有两个MOSFET。而便宜的主板只使用一个加强的MOSFET,也有每相位使用三个MOSFET的。因此计算相位数量最好的办法是通过数电感,而不是数MOSFET。
7.webp
图7:传统的MOSFET
8.webp
图8:低阻MOSFET。
   
    用于供电模块电路的电容可以分为传统的电解质类型电容或固态铝电容,我们已经展示了他们之间的差异,对照图2。固态铝电容比普通的要好,因为它们不易膨胀或泄漏。如果你的主板为正规厂商生产(暗指山寨货,老外也知道?),你应该会发现他们的制造商。日产电容的传统就是防鼓胀、泄漏、爆炸(三防?小日本的东西名声在外啊)。
    每个电压输出是通过一个集成电路称为PWM控制器控制的。如为为中央处理器、记忆、芯片组等(PWM控制器能控制两个独立的电压输出)。如果你环顾整个CPU插座,你应该能够找到给CPU供电的PWM控制器,见图2和图9。
9.webp
图9 PWM控制器。
   
   最后,我们有一个较小的集成电路称为MOSFET driver。供电模块将用一MOSFET驱动每相位,所以每个driver驱动两个MOSFET。便宜主板会以附加的MOSFET替代driver,所以这种设计的主板,每相位有三个MOSFET,不像往常一样有两个。
10.webp
图10:MOSFET driver
3.相位
        (个人感觉该章节较艰涩,没一定的电学基础请略过,或看我红字标出部分)
    供电模块的电源电路的工作中有几个平行提供相同的输出电压-特别的指CPU电压。然而,他们在不同一时间工作,因此命名为“相位”。我们将详细地解释一下其如何工作,所以不要害怕(老外挺可爱)。就像很多厂商和爱好者讨论主板的供电相数问题,我们希望引申这一主题。
    咱们以CPU供电模块为例。如果该电路具有两个相位,每个相位将操作50%的时间以产生CPU电压。如果这种相同的电路是由三个相位,每个相位将工作33.3%时间;四个相位,每个相位将会占25%。有六个相位,每个相位将工作16.6%的时间。以此类推。
    供电模块电路有更多的相位有几个优点。最明显的是,这时MOSFET负载更低,延长了使用寿命,同时降低这些部件工作温度。另一个好处是,多相位通常的输出电压更稳定和较少紊压。
添加更多的相位需要增加更多的部件,它会增加主板成本。廉价的主板则尽量减少相位。
    非常重要的是,当厂商说主板有六相供电时,是指CPU供电模块。
    每一个电压相位使用一个电感,两个或三个MOSFET,一个或多个电解电容和一个MOSFET driver-低端主板里这最后的组件可以被MOSFET所替代。正如你所看到的,组件的数量不会一成不变。目前唯一最好的计算相数方法是数电感。 (注意,有例外;其后我们将作解释)。例如,在图11(图表1和2)有三个相位。
11.webp
图11:相位。
    但有一个例外。有一些主板芯片组、存储器的供电电感位于CPU附近,单纯依靠数电感来判断供电相数就不准了。下图:虽然看上去有四相,但它是三相的,就像仅有的三个相位被用来产生CPU电压;在这主板第四相位是用来产生内存的电压。我们要教你如何在一秒内得到准确的相位数。
12.webp
图12:主板和三个相位,而不是你假定的四相。
    在主板背面的四个电感中一个较远的电感应该被忽略。在图11你能看到主板CPU供电模块中的电感是同极的… 因为同相内所有电感产生相同电平,只有连接在一起的应该被计算。这可以通过敷铜面看出。在图13我们展示了电感被焊在一起。图12中正如你所看到的,只有三个电感连接到一起,第四个电感去向内存插槽。
13.webp
图13:正确的计数电感。
    最后一个例子是我们想带你见识一下10相供电的高档主板(见图)。去MOSET上掉精美的散热器,我们才拍这张照片(真是烧包啊)。
14.webp
如图14:非常高端主板和10个相位。
    现在,你知道如何正确识别和计数供电模块的相位,这一次,让我们来解释供电模块电路是如何工作的。
4.它是如何工作的
    供电模块电路从ATX12V EPS12V得到+ 12v电压,转换给(中央处理器,存储器、芯片组,等等)。这种转换是一个DC-DC converter,也称为开关电源,如同PC机的电源一样。
    PWM-脉宽调制控制器是这个过程的核心。PWM按相位产生方波信号,从这个信号决定于负载电压,即其占空比正比于输出目标值(例如,50%的占空比:则一半时间输出低电位—通常是零电位,另50%的时间输出高电位—此时为即供电模块的+ 12v。
  
    供电模块输出电压值必须读取来自处理器的“voltage ID” (VID) pins(人称的电压硬改),,其必须提供一个二进制代码和精确的电压值。有些主板在BIOS中允许让你手动更改CPU电压。也就是改变PWM的设置代码,随之PWM根据已被配置将改变你的CPU电压。我们正在谈论的CPU电压调节同样适用于内存和芯片组。
    DC-DC converter是一个闭环系统。这意味着PWM控制器不断监测输出供电模块的输出电压。如果电压的增加或减少输出电路将调整本身(改变脉宽调制信号的频率),以便输出正确的电压。乃至顺利完成,同样,反之亦然。
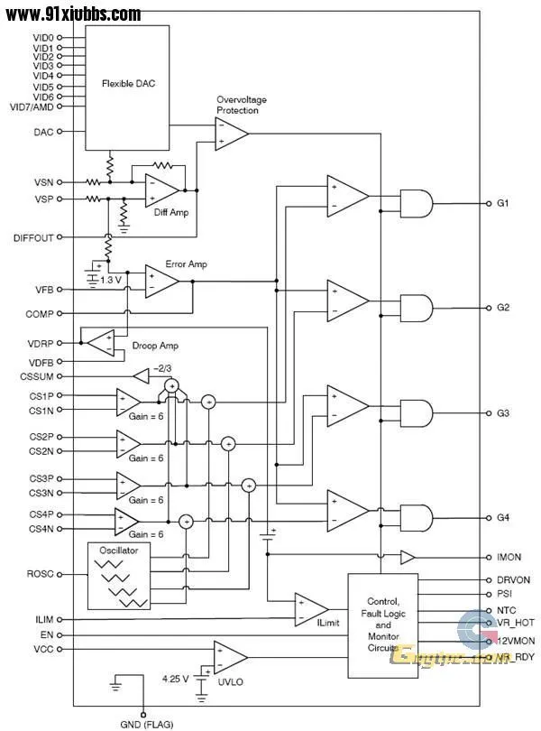
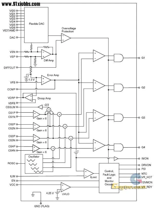
    图15的电路图上经常出现了CPU供电模块的PWM控制器的 (NCP5392)。你可以很容易识别的电压定义针脚(VID0 到 VID7)、回路针脚(CS,位于左侧的电流传感器针脚)和各相位输出驱动 (座落在右边G针,)。正如你所看到的,该集成电路可以控制四个相位。
15.webp
图15 PWM控制器
   
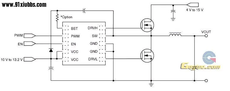
    每个相位使用两个MOSFET和一个电感。PWM不能提供足够的电流开关这些MOSFET,所以每一相都需要一个MOSFET driver。通常MOSFET driver是一个小集成电路。一些厂商为了降低成本在低端主板则使用一个分立的MOSFET上做驱动用。
    在图16你可以看到某一相位的基本图板(回路省略)由一个NCP5359 MOSFET驱动。EPS12V ATX12V供给MOSFET及MOSFET driver(其上所标记“10 V到13.2 V”和“4v到15 V )。在这个图中你可以看到两个MOSFET及电感电容。这个反馈信号与电感与CS+ (CSP) and CS- (CSN) pin并联。这个PWM提供这些pin和一个使能端EN以激活电路。
16.webp
图16:单相简化图
   
    正如你所看到的在图15,每个相位有一个PWM信号输出。需要解释的是,脉宽调制信号是一个脉宽(占空比)变化取决于负载电压的方波(这就是为什么这种技术被称作脉宽调制)。假设这个输出电压稳定,所有的脉宽调制信号将会有相同的脉宽,即每个方波“信号”都是相同的。然而,它们之间有一个延迟。取决于相位的交替。
    例如,在一个电路时,只有两相位,这两个PWM信号将被分别运行。所以当第一相位被打开,第二相位将会被关掉,反之亦然。这将确保每一相位将50%的时间。对一个电路的脉宽调制信号的四个相位,将会同样方式将启动: 第一相位先出现,然后第二相位被激活,那么第三相,然后4相。当一个相位是打开的所有其他人都关掉。在这种情况下,每个相位将会占25%。
    更多的相位,每个相位开启更少时间。如前文所讲,这使得每个MOSFET热释放减少,元件使用寿命更长。

用户头像
用户组图标 飙风之士 2011-5-19 14:31:26 | 显示全部楼层
看看。。。。。
用户头像
用户组图标 无谓 2011-5-19 17:44:49 | 显示全部楼层
{:soso__4350578773441658174_2:}
用户头像
用户组图标 wengxl 2011-5-20 06:39:55 | 显示全部楼层
学学:):)
用户头像
用户组图标 ygw1573 2011-5-20 09:23:53 | 显示全部楼层
看看:lol
用户头像
用户组图标 田甜 2011-5-20 09:37:41 | 显示全部楼层
学习学习,谢谢分享。
用户头像
用户组图标 你的朋友 2011-5-20 10:58:07 | 显示全部楼层
学习学习 长长见识
用户头像
用户组图标 mayiming 2011-5-20 15:12:01 | 显示全部楼层
学习学习,谢谢分享.
用户头像
用户组图标 gaoyuanyin2 2011-5-24 13:16:49 | 显示全部楼层
学习学习
用户头像
用户组图标 致远NO 2011-5-25 23:46:23 | 显示全部楼层
看 看...

用户头像
用户组图标 zsdhzsdh 2011-5-26 20:34:30 | 显示全部楼层
学习一下。
用户头像
用户组图标 dhxmz 2011-5-26 22:57:41 | 显示全部楼层
回复 yaojian 的帖子

我来学习一下!!!!!
用户头像
用户组图标 dufei 2011-5-26 23:01:16 | 显示全部楼层
henxiangliaojieyixia
用户头像
用户组图标 312310945 2011-6-2 19:29:06 | 显示全部楼层
学习学习,谢谢分享
用户头像
用户组图标 船长 2011-6-2 19:41:59 | 显示全部楼层
回复 312310945 的帖子

谢谢分享。
您需要登录后才可以回帖 登录 | 注册 用QQ帐号登录

本版积分规则

一键重装系统|雨人系统下载|联系我们|网站地图|过期罐头电脑论坛

GMT+8, 2025-12-13 16:27 , Processed in 0.056125 second(s), 28 queries .

官方免责声明:本站内容来自网友和互联网.若侵犯到您的版权.请致信联系,我们将第一时间删除相关内容!

Powered by Discuz!

专注于win7_win10_win11系统下载装机

© 2010-2025 GQGTPC.Com

快速回复 返回顶部 返回列表